欢迎来到北京嘉海恒业科技发展有限公司!!!

服务热线:18610217995

TE系列风阀执行器

国产电动执行器

发布日期:2021-10-13

国产位执行器6Nm-10Nm

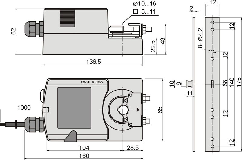
国产执行器6-10Nm 外形尺寸

分享到: